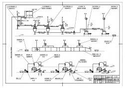
1.Production Capacity: Production Capacity :2000-6000TPA We can design the capacity according to your needs. 2.Specification of Raw Material and ...
Not a member yet? Create an account
Already got an account? Login